Tel: +44 (0)1908 374 022
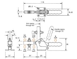
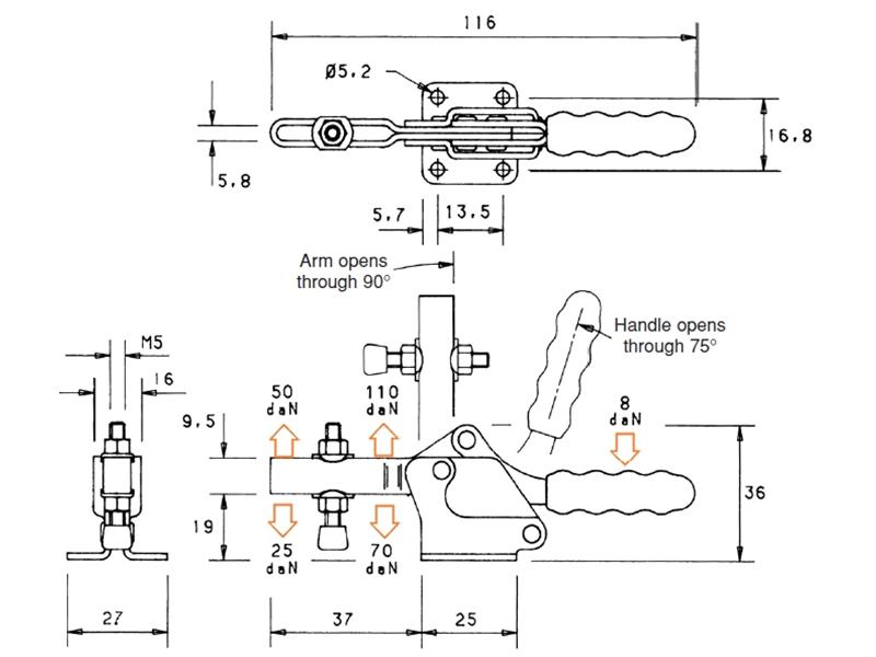
H75/2B
£35.05+ VAT
|
CAD Downloads
Additional Formats
Associated Products
Country: change
United Kingdom



2D





