High Temp Ring Blade
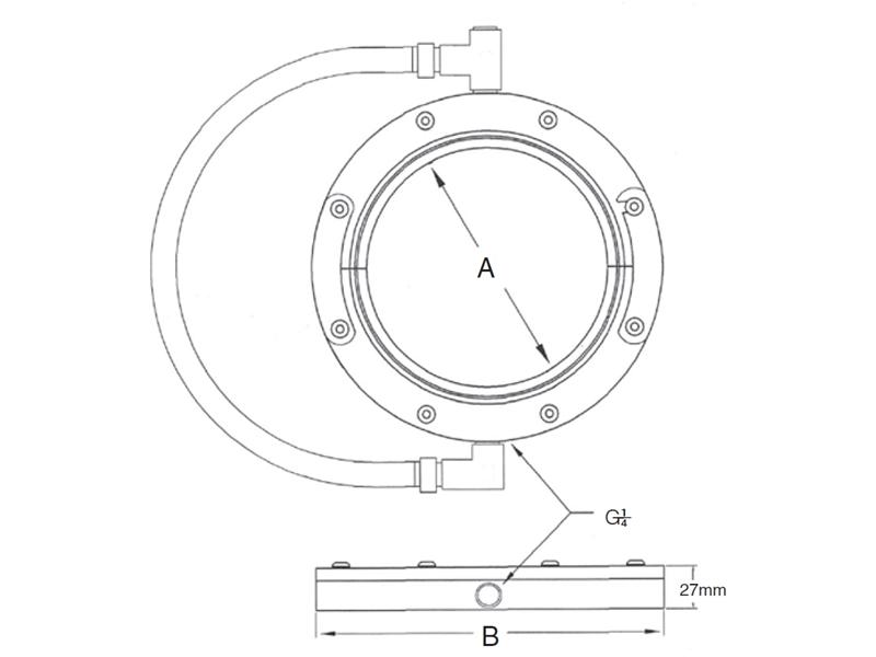
The high temperature Brauer Ring Blade with its stainless steel air supply loop hose is a clever device which is able to withstand temperatures up to 205 degrees celsius. It is used to dry, clean or cool any product that has no obvious beginning or end,like wire cable, aluminium extrusion, seal strips and many other mass produced long length products. The Ring Blade is able to be opened at a single hinge point and then be passed under any continuous length workpiece and closed up around the workpiece, now the long length of product is inside the Ring Blade. Once compressed air is supplied to the Ring Blade, a 360 degree steady state stream of air is applied to the workpiece which is efficiently boosted by ambient air being sucked in or entrained to aid drying, cleaning or cooling. |





