Tel: +44 (0)1908 374 022
Pneumatic Tyre
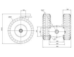
Brauer Pneumatic tyred industrial heavy duty castor units are designed to high loads and handle un-even surfaces or rugged terrain, whilst providing a cushioned ride. These special TQZ series industrial pneumatic castors can handle towing speeds to 10kph and can be provided with a wheel face brake suffix (B). The single pnuematic wheel WG castor unit has a load capacity of 2100kg whilst the twin wheel TQZ castor unit has a load capacity of 4200kg and both have a wheel diameter of 535mm (inflated) and tread width of 165mm. |
Various wheel options available
Country: change
United Kingdom




