A Series Axles
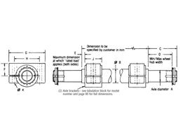
This "A" series axle assemblies are for mounting pairs of wheels fitted with roller or ball bearings, the lock nuts and tab washers providing adjustment for opposed taper roller bearings. The "A" series axles take standard applied wheel loads (per wheel) from 1500kg to 12000kg. Brauer also goes beyond this standard load range if a customer has a specific need. The wheel bearing axle diameter "A" and the max/min wheel hub width "D" should be selected to match up with the wheels bearing bore and the wheels width at the bearings. The two large supporting axle brackets are slotted and slide along the main axle diameter allowing for lateral positioning of the axle and wheels on installation. The "A" series axle assemblies are supplied complete with 2 axle brackets, 2 bearing retainer/adjustment nuts and 2 tablock washers.
|




