Slide
Slide
Slide
Slide
Slide
Home | Toggle Clamps | Manual Toggle Clamps | Accessories | Automotive Push-Pull Bases

Automotive Push-Pull Bases

  • Range:Toggle Clamps
  • Category:Manual Toggle Clamps
  • Group:Accessories
  • Style:Automotive Push-Pull Bases
Search on complete or part product code
Select product to view cad download options
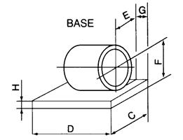
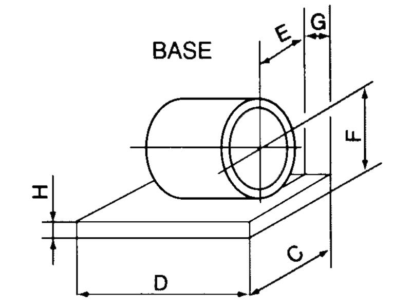
Automotive Push-Pull Bases
Automotive Push-Pull Bases
DrawingsPDF
Part No. C D E F G H  
1150B 70 50 35 30.1 7 8 CAD / BUY
2250B 90 70 45 40 19 12

Brauer's Latest Tweets
  • Loading Tweets...
new user? click here
(forgotten password)
Slide 1 Slide 2 Slide 3 Slide 4 Slide 5
X