Slide
Slide
Slide
Slide
Slide
Home | Wheels & Castors | Axles & Axle Bracket Assemblies | Axles | BA Series Axles

BA Series Axles

  • Range: Wheels & Castors
  • Category:Axles & Axle Bracket Assemblies
  • Group:Axles
  • Style:BA Series Axles
Search on complete or part product code
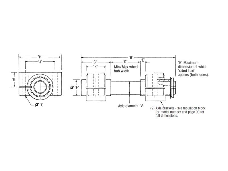
BA Series Axles
BA Series Axles
DrawingsPDF
Part No. A Load Kg B C D Min D Max E F G  
BA30 30 3300 225 65 51 80 25 35 35  
BA35 35 7000 225 65 51 80 25 40 35  
BA40 40 9000 365 80 70 90 30 50 45  
BA50 50 14000 340 105 80 110 40 60 60  
BA60 60 24000 340 105 80 110 40 70 60  
BA75 75 40000 390 120 80 125 40 85 75  

Brauer's Latest Tweets
  • Loading Tweets...
new user? click here
(forgotten password)
Slide 1 Slide 2 Slide 3 Slide 4 Slide 5
X