Slide
Slide
Slide
Slide
Slide
Home | Toggle Clamps | Manual Toggle Clamps | Heavy Duty Cam Clamps | Cam Push/Cam Pull

Cam Push/Cam Pull

  • Range:Toggle Clamps
  • Category:Manual Toggle Clamps
  • Group:Heavy Duty Cam Clamps
  • Style:Cam Push/Cam Pull
Search on complete or part product code
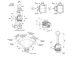
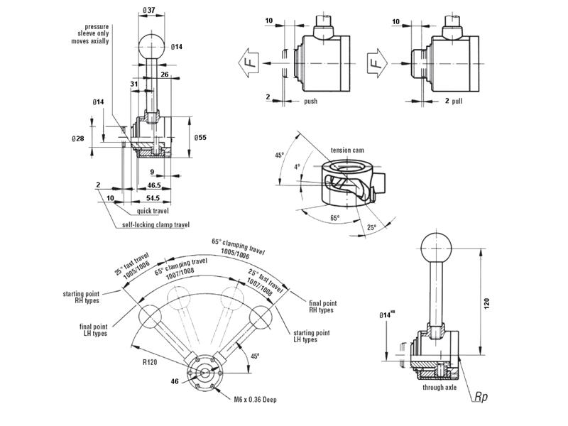
  • Cam operated
  • Right hand push
  • Rear mounted
  • See 'Accessories for other items
Select product to view cad download options
Cam Push/Cam Pull
Cam Push/Cam Pull
DrawingsPDF
Part No. Nominal Holding Force Weight Version  
CP1005 500daN 0.86kg RH Push
CP1006 500daN 0.86kg RH Pull
CP1007 500daN 0.86kg LH Push
CP1008 500daN 0.86kg LH Pull

Brauer's Latest Tweets
  • Loading Tweets...
new user? click here
(forgotten password)
Slide 1 Slide 2 Slide 3 Slide 4 Slide 5
X