Tel: +44 (0)1908 374 022
Continuous Operation
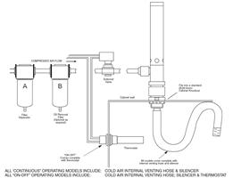
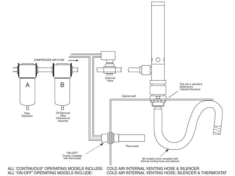
Brauer cabinet coolers provide low cost cooling which is environmentally friendly for the internal workings of electrical and electronic control cabinets. The cooler keeps the temperature within the electrical cabinet at safe working levels, with the use of its vortex tube which turns compressed air into cold air without the use of any moving parts, hence very low future maintenance. |
Country: change
United Kingdom





