Tel: +44 (0)1908 374 022
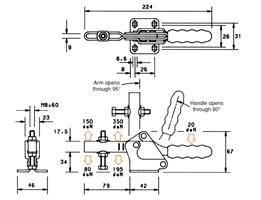
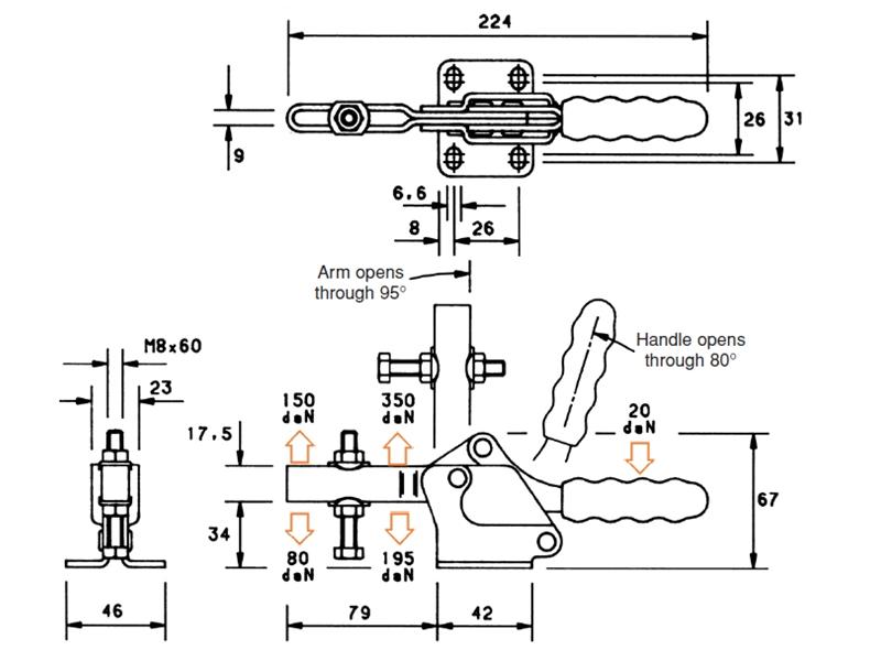
H250/2B
£56.37+ VAT
|
CAD Downloads
Additional Formats
Country: change
United Kingdom



2D




