Tel: +44 (0)1908 374 022
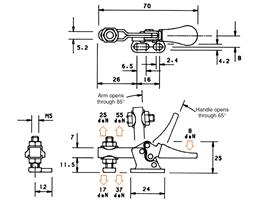
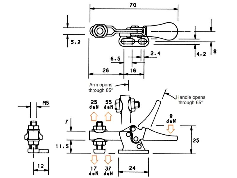
H50/2BL
£26.22+ VAT
|
CAD Downloads
Associated Products
![]() |
FW05/09 | Toggle Clamps > Flanged Washers |
![]() |
MB0520 | Toggle Clamps > Setscrew Spindles |
![]() |
M0525 | Toggle Clamps > Plain Spindles |
![]() |
NTS0538 | Toggle Clamps > Neoprene Tipped Spindles |
Country: change
United Kingdom



2D


