Slide
Slide
Slide
Slide
Slide
Home | Standard Parts | Ball Lock Pins | Button Handle | Inch

Inch

  • Range:Standard Parts
  • Category:Ball Lock Pins
  • Group:Button Handle
  • Style:Inch
Search on complete or part product code
Inch
Inch
DrawingsPDF
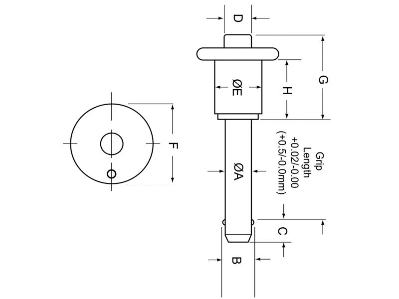
Part No. Nom Pin Dia A Min A Max B C D E F G H  
800-316 3/16 0.1870 0.1885 0.220 0.260 1/4 7/16 13/16 13/16 5/8
800-14 1/4 0.2470 0.2485 0.289 0.290 1/4 7/16 13/16 7/8 5/8
800-516 5/16 0.3095 0.3110 0.375 0.330 1/4 7/16 7/8 29/32 5/8
800-38 3/8 0.3720 0.3735 0.440 0.365 5/16 9/16 1 1/8 1 1/32 3/4
800-716 7/16 0.4345 0.4360 0.509 0.380 5/16 9/16 1 1/8 1 3/32 3/4
800-12 1/2 0.4970 0.4985 0.594 0.460 7/16 23/32 1 3/8 1 3/16 13/16
800-916 9/16 0.5595 0.5610 0.666 0.510 7/16 23/32 1 3/8 1 3/8 1
800-58 5/8 0.6220 0.6235 0.750 0.580 37/64 27/32 1 5/8 1 1/2 1 1/16
800-34 3/4 0.7470 0.7485 0.887 0.670 37/64 15/16 1 7/8 1 21/32 1 5/32
800-78 7/8 0.8720 0.8735 1.046 0.760 3/4 1 1/8 2 3/16 1 31/32 1 1/2
800-1 1 0.9970 0.9985 1.219 0.890 3/4 1 3/16 2 3/16 2 1/8 1 1/2

Brauer's Latest Tweets
  • Loading Tweets...
new user? click here
(forgotten password)
Slide 1 Slide 2 Slide 3 Slide 4 Slide 5
X