Slide
Slide
Slide
Slide
Slide
Home | Standard Parts | Clamping Levers Tension Levers | Tension Levers | Internal Thread - 20 Degree Handle

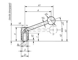
Internal Thread - 20 Degree Handle

  • Range:Standard Parts
  • Category:Clamping Levers Tension Levers
  • Group:Tension Levers
  • Style:Internal Thread - 20 Degree Handle
Search on complete or part product code
Internal Thread - 20 Degree Handle
Internal Thread - 20 Degree Handle
DrawingsPDF
Part No. X T D D1 D2 D3 H H1 H2 H3 H4 A A1  
0510800020 M8 23 17 24 25 10 44 4 36.5 64 49 81 87
0511000020 M10 23 17 24 25 10 44 4 36.5 64 49 81 87
0521000020 M10 26 20 28 30 11 51 5 41.5 76 49 98 106
0521200020 M12 26 20 28 30 11 51 5 41.5 76 49 98 106
0531200020 M12 30 24 33 32 12 57 5 46 87 64 118 128
0531600020 M16 30 24 33 32 12 57 5 46 87 64 118 128
0541600020 M16 35 30 41 37 14 67 6 55 100 75 136 147
0542000020 M20 35 30 41 37 14 67 6 55 100 75 136 147
0542400020 M24 35 30 41 37 14 67 6 55 100 75 136 147

Brauer's Latest Tweets
  • Loading Tweets...
new user? click here
(forgotten password)
Slide 1 Slide 2 Slide 3 Slide 4 Slide 5
X