Slide
Slide
Slide
Slide
Slide
Home | Standard Parts | Ball Lock Pins | Button Handle | Metric

Metric

  • Range:Standard Parts
  • Category:Ball Lock Pins
  • Group:Button Handle
  • Style:Metric
Search on complete or part product code
Metric
Metric
DrawingsPDF
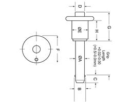
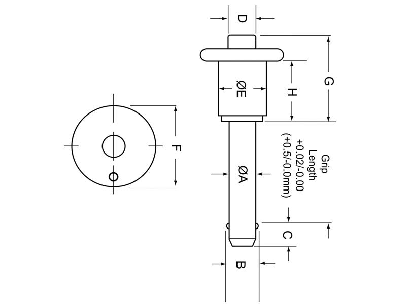
Part No. Nom Pin Dia A Min A Max B C D E F G H  
850-5 5 4.92 4.96 5.54 6 6.4 11.1 20.6 20.6 15.9
850-6 6 5.92 5.96 6.99 7 6.4 11.1 20.6 22.2 15.9
850-8 8 7.92 7.96 9.42 8 6.4 11.1 22.2 23.0 15.9
850-10 10 9.92 9.96 11.86 9 7.9 14.3 28.6 27.8 19.1
850-12 12 11.92 11.96 14.45 10 11.1 18.3 34.9 34.9 25.4
850-16 16 15.92 15.96 19.00 14 14.7 21.4 41.3 38.1 27.0
850-20 20 19.92 19.96 24.08 17 14.7 23.8 47.6 42.1 29.4
850-25 25 24.92 24.96 30.94 22 19.1 30.2 55.6 54.0 38.1

Brauer's Latest Tweets
  • Loading Tweets...
new user? click here
(forgotten password)
Slide 1 Slide 2 Slide 3 Slide 4 Slide 5
X