Tel: +44 (0)1908 374 022
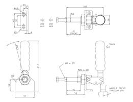
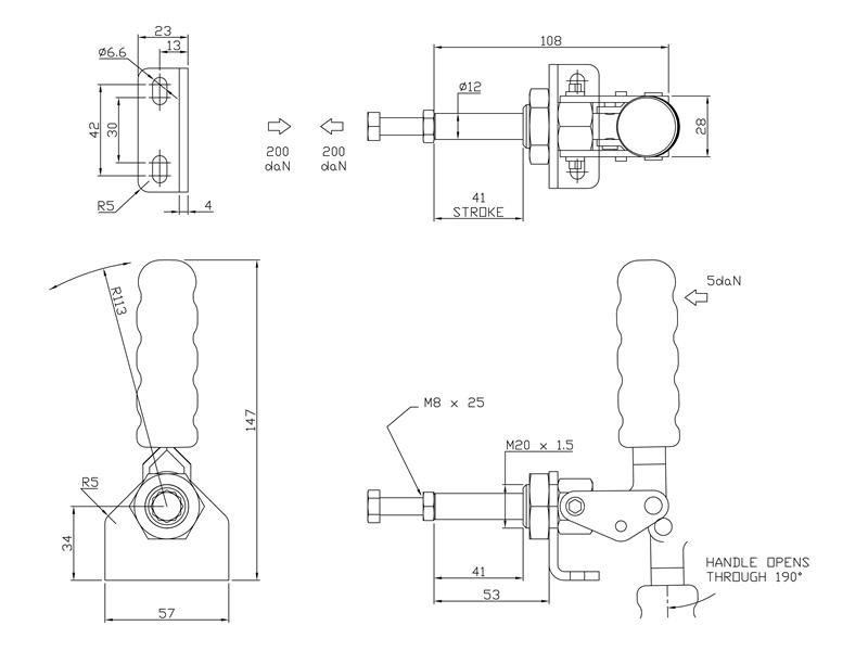
P200
£92.62+ VAT
|
CAD Downloads
Additional Formats
Country: change
United Kingdom



2D



