Slide
Slide
Slide
Slide
Slide
Home | Standard Parts | Spring Plungers | Recess and Pressure Pin | Recess and Pressure Pin

Recess and Pressure Pin

  • Range:Standard Parts
  • Category:Spring Plungers
  • Group:Recess and Pressure Pin
  • Style:Recess and Pressure Pin
Search on complete or part product code
Recess and Pressure Pin
Recess and Pressure Pin
DrawingsPDF
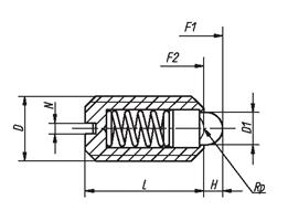
Part No. D D1 D2 L L1 H F1 F2 Weight  
1604005 M4 1.8 9 1.5 6 20 0.39
1605005 M5 2.4 12 2 6 20 1
1606005 M6 2.7 14 2 7 20 1.7
1608005 M8 4 16 2 15 30 4
1610005 M10 4.5 19 2.5 20 35 7
1612005 M12 6 22 3.5 30 55 13
1616005 M16 8.5 24 4.5 45 100 24
1620005 M20 10 30 6.5 60 120 46.3

Brauer's Latest Tweets
  • Loading Tweets...
new user? click here
(forgotten password)
Slide 1 Slide 2 Slide 3 Slide 4 Slide 5
X