Slide
Slide
Slide
Slide
Slide
Home | Standard Parts | Spring Plungers | Smooth Surface | Smooth Stainless Steel

Smooth Stainless Steel

  • Range:Standard Parts
  • Category:Spring Plungers
  • Group:Smooth Surface
  • Style:Smooth Stainless Steel
Search on complete or part product code
Smooth Stainless Steel
Smooth Stainless Steel
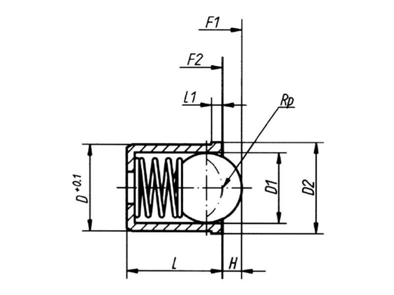
DrawingsPDF
Part No. D D1 D2 L L1 H F1 F2 Weight  
03070-04 4 3 4.6 5 1 0.8 3 7 0.3
03070-05 5 4 5.6 6 1 1 4 7 0.6
03070-06 6 5 6.5 7 1 1.5 6 12 1
03070-08 8 6.5 8.5 9 1 1.8 6 12 2

Brauer's Latest Tweets
  • Loading Tweets...
new user? click here
(forgotten password)
Slide 1 Slide 2 Slide 3 Slide 4 Slide 5
X