Tel: +44 (0)1908 374 022
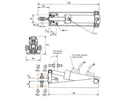
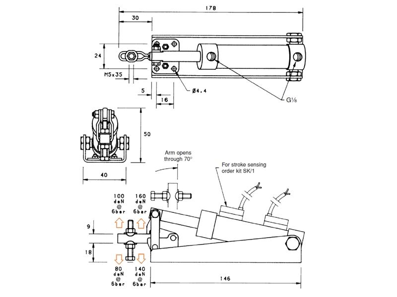
V75X
£307.79+ VAT
|
CAD Downloads
Associated Products
Country: change
United Kingdom



2D





