Slide
Slide
Slide
Slide
Slide
Home | Toggle Clamps | Manual Toggle Clamps | Accessories | VA Series Bases

VA Series Bases

  • Range:Toggle Clamps
  • Category:Manual Toggle Clamps
  • Group:Accessories
  • Style:VA Series Bases
Search on complete or part product code
Select product to view cad download options
VA Series Bases
VA Series Bases
DrawingsPDF
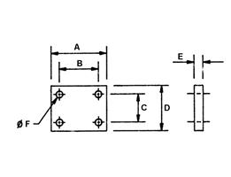
Part No. A B C D E F Clamp Models  
D3 37 25 18 30 5 5.3 VA300 CAD / BUY
D7 50 35 25 40 8 6.3 VA700 CAD / BUY
D12 60 40 30 50 8 8.3 VA1200 CAD / BUY
D24 70 50 45 65 8 8.3 VA2400 CAD / BUY

Brauer's Latest Tweets
  • Loading Tweets...
new user? click here
(forgotten password)
Slide 1 Slide 2 Slide 3 Slide 4 Slide 5
X