Tel: +44 (0)1908 374 022
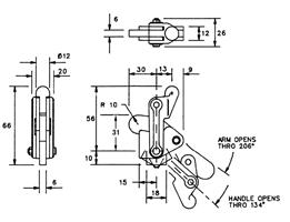
VA300S
£86.76+ VAT
|
CAD Downloads
Associated Products
![]() |
B3 | Toggle Clamps > VA Series Grips |
![]() |
A3 | Toggle Clamps > VA Series Handles |
![]() |
C3 | Toggle Clamps > VA Series Arms |
![]() |
D3 | Toggle Clamps > VA Series Bases |
Country: change
United Kingdom



2D


